Beiträge von hellibelli

    Hallo Andi,


    Das D-Sub zu DVI-A Kabel bei Amazon ist sicher eine gute Idee. Ich hatte aber inzwischen das sündhaft teure "Eizo-Origialkabel" FD-C16 (D-Sub zu DVI-I) bestellt. Mein Gedanke war, wenn das nicht funktioniert, werde ich den Monitor zur Reparatur abholen lassen. Habe ich inzwischen auch so mit dem Reparaturservice abgesprochen.


    Die Frage, ob die Matrox-Grafikkarte G550 analoge Signale am DVI-I Ausgang bereitstellt, kann ich nicht abschließend beantworten. Theoretisch sollte sie das (siehe Original-Abbildung aus dem Benutzerhandbuch).



    In der Praxis funktioniert es aber nicht: Ich habe einen anderen Monitor mit VGA-Eingang wie abgebildet angeschlossen. Leider kam aber kein Signal an. Ich glaube inzwischen, daß der D-Sub zu DVI-I Adapter die Schwachstelle ist.


    Ich warte jetzt, bis das bestellte Kabel angekommen ist. Ich werde auf jeden Fall weiter berichten, wie die Geschichte ausgegangen ist.


    Herzliche Grüße (oder wie meine Tochter meint: Keep on fighting)
    hellibelli


    Hallo Andi,


    vielen Dank für Deine schnelle Antwort.


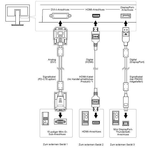
    Der Monitor hat entgegen Deiner Annahme keinen DVI-D-Anschluß,sondern neben den 2 digitalen Anschüssen (DP und HDMI) einen digital/analogen DVI-I-Anschuß (24+5-Pole). Es sollte daher möglich sein, über den DVI-I-Anschluß sowohl digitale als auch analoge Signale zu übertragen. In der Bedienungsanleitung des CS240 () sind auf Seite 36 verschiedene Anschlußmöglichkeiten aufgeführt (siehe Abbildung). Das linke Schema zeigt den analogen Anschluß über ein FD-C16-Kabel von der 15-poliger Mini-DSub-Buchse der Grafikkarte zur DVI-I-Buchse des Monitors.


    Das ist die Anschußvariante, die ich mit meiner VGA-Kabel+VGA-DVI-I-Adapter-Konstruktion verwirklicht habe. Das sollte theoretisch funktionieren. In der Praxis bleibt der Monitor aber leider schwarz. Was habe ich übersehen?


    Aber Deine "DVI-A-Lösung" hat mich auf die Idee gebracht, das analoge Signal nicht an der Mini-DSub-Buchse, sondern an der DVI-I-Buchse der Grafikkarte abzugreifen und über ein Kabel mit 2 DVI-A-Steckern dem Monitor zuzuführen. Aber das Kabel muß ich mir erst besorgen - falls es sowas überhaupt gibt. Ich probiers aus.


    Alles Gute und nochmals vielen Dank für den Vorschlag. Gruß Hellibelli

    Hallo liebe Forums-Mitglieder,


    ich bin neu hier. Ich möchte zunächst ein Kompliment an die Moderatoren und die anderen Foristen aussprechen wegen der kompetenten Beiträge (was ja nicht in allen Foren der Fall ist).


    Zu meinem Problem: Ich möchte den Eizo CS240 über die Matrox-Grafikkarte G550 (2 Ausgänge: analog HD-15 und analog/digital DVI-I) an meinen PC anschließen. Zur Zeit verwende ich ein digitales DVI-Kabel (Single DVI-D, 18 + 1 Kontakte, beidseitig). Die maximale, von der Grafikkarte unterstützte Auflösung beträgt dann allerdings nur 1600x1200 Pixel. Ich möchte aber bei einer Auflösung von 1920x1200 Pixel arbeiten.


    Ich habe deshalb ein VGA-Kabel mit einem HD-15/DVI-I-Adapter ausgerüstet und das Kabel über den analogen HD-15-Ausgang der Grafikkarte mit dem DVI-I-Eingang des Monitors verbunden. Beim Hochfahren des PCs blieb der Monitor schwarz (kein Signal). Ich habe deshalb den uralt HD-15/DVI-I-Adapter gegen einen neuen ausgetauscht. Das Ergebnis war das gleiche: kein Signal am Monitor.


    Ich habe deshalb die Datei CS240.inf installiert und unter den 5 möglichen Optionen "CS240 DVI Analog" ausgewählt. Das Ergebnis war das gleiche: kein Signal am Monitor.


    Es gäbe jetzt noch die Möglichkeit Grafikkarte und Monitor über ein DVI-I-Kabel zu verbinden, um die analogen Signale abzugreifen. Das Kabel müßte ich mir aber erst besorgen. Ich vermute aber, daß auch das nicht funktionieren wird, weil das Problem möglicherweise nicht die Signalweiterleitung sondern die Signalverarbeitung durch den Monitor ist.


    Ich hoffe der Beitrag war einigermaßen verständlich und nicht zu langatmig. Vielleicht kennt ja jemand von Euch dieses Problem und kann Vorschläge zu seiner Lösung machen.


    Alles Gute und liebe Grüße
    Hellibelli